Free ground shipping for qualifying WarmlyYours orders placed online over C$300.
Excludes oversized items, custom items, expedited shipping, and freight shipping.
Shipping via ground service is included via the most economical carrier option.
Offer valid on orders shipping to the 48 contiguous states in the U.S. and 8 of Canada's provinces (not valid for Newfoundland and Labrador or Prince Edward Island).
Cannot be combined with other offers or promotions.
Can only be redeemed with online orders.
Other restrictions may apply.
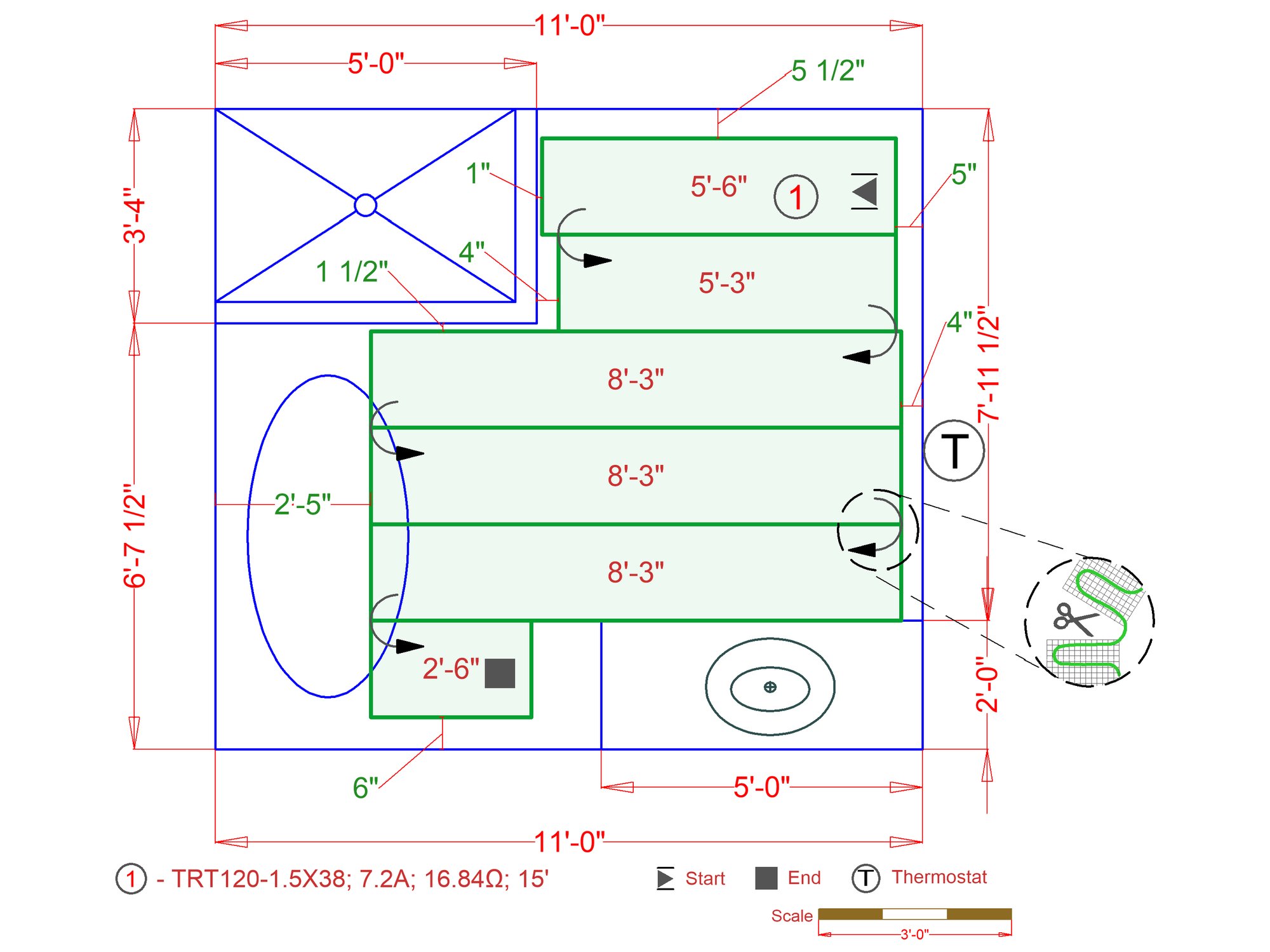
Powder Room with Floor Heating
CINCINNATI, OH
Size:57 sq. ft.Voltage:120VWattage:855 WAmps:7 AFlooring:Tile, Marble or StoneCost/hr:$0.03
Learn more about this project and many others by Michaelson Homes.