Step into Ultimate Coziness: A Heated Carpet Project in Palos Heights, IL

This project showcases a WarmlyYours Environ™ Flex Roll system installed under a plush bedroom carpet, turning a cold room into a warm, inviting retreat.

Palos Heights, IL
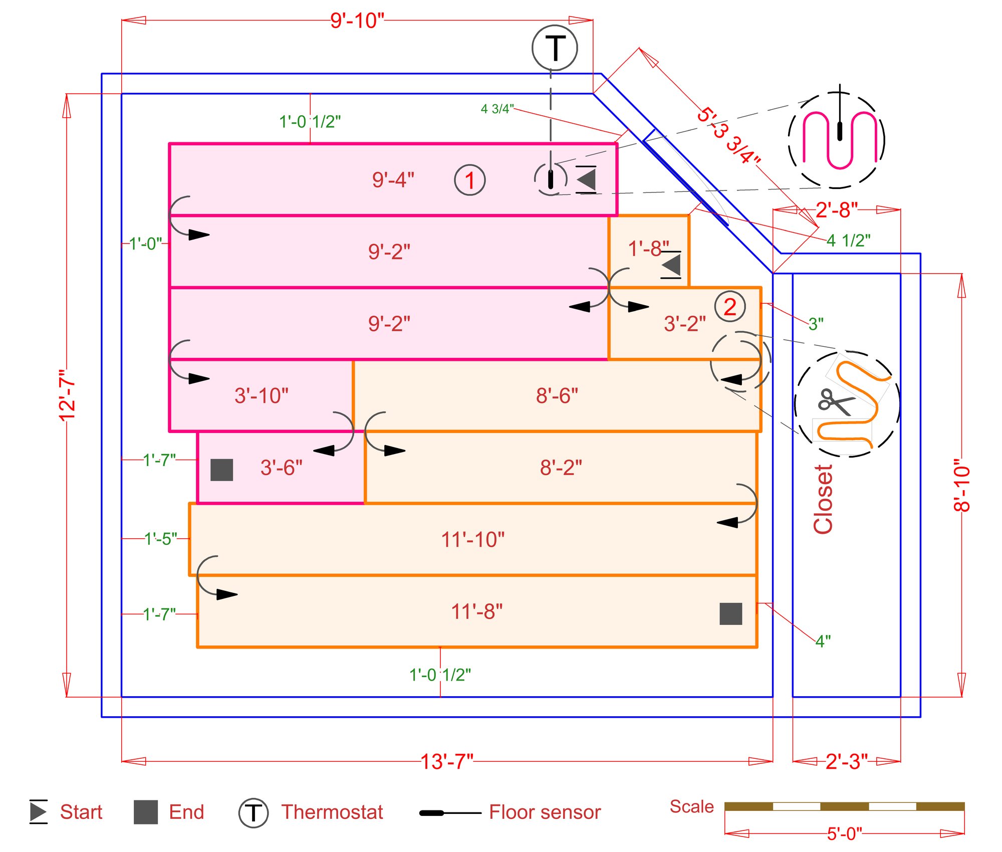
Environ SmartInstall for Bedroom with Carpet near entry
Size: 164 sq.ft. Voltage: 120V Wattage: 1440 W Amps: 12 A Flooring: Carpet (Stretch In) Cost/hr *: $0.25

A homeowner in Palos Heights, Illinois, sought to eliminate the chill of their bedroom floor, especially during cold Midwest winters. WarmlyYours provided the perfect solution by installing a 120-square-foot Environ™ Flex Roll radiant heating system directly under their new stretch-in carpet. This project highlights how electric floor heating delivers silent, luxurious comfort and energy-efficient warmth, adding significant value and daily enjoyment to the home.


Project Details

  • Location: Palos Heights, Illinois
  • Heated Space Type: Bedroom
  • Heated Square Footage: 120 sq. ft. (in a 164 sq. ft. room)
  • Watts, Volts, Amps: 1440 W, 120V, 12 A
  • Flooring Type: Stretch-In Carpet over a wood subfloor
  • Operating Cost: ~$0.25/hour
    • Daily Cost: ~$2.00 (based on 8 hours of use)
    • Monthly Cost: ~$60.00 (based on 8 hours of use per day)
  • Products Used:
    • Environ™ Flex Rolls
    • nSpire Touch Programmable Thermostat
    • CeraZorb® Insulating Underlayment


The Story: From Cold Floors to a Cozy Sanctuary

The challenge was a common one for homeowners in Illinois: a bedroom that remained uncomfortably cold underfoot, even when the central heating was running. The goal was to transform this space into a true sanctuary for rest and relaxation, starting from the ground up. The homeowners wanted a heating solution that was silent, invisible, and provided a more consistent and comfortable warmth than traditional forced-air systems.

The ideal solution was the WarmlyYours Environ™ Flex Roll system, which is specifically engineered for safe and effective heating under carpet and floating floors. The installation process was straightforward. First, CeraZorb® synthetic cork underlayment was laid on the wood subfloor to act as a thermal break, ensuring that heat radiated upward into the room instead of being lost to the subfloor below. Next, two Environ™ Flex Rolls, totaling 120 sq. ft., were rolled out to cover the primary living space of the bedroom.

The result is a complete transformation of the room’s comfort level. The homeowners now wake up to gentle, even warmth radiating from the entire floor. The nSpire Touch programmable thermostat allows them to schedule heating cycles, ensuring the room is warm when they wake up and go to bed, maximizing both comfort and energy savings. The bedroom is no longer just a place to sleep—it's a cozy, warm retreat from the cold outside.

Featured Products in This Project

  • Environ™ Flex Rolls: These easy-to-install rolls are designed to provide gentle, even heat under carpet and floating floors. Their flexible, cut-and-turn design makes it simple to cover rooms of any shape and size.
  • nSpire Touch Thermostat: This programmable thermostat features a modern, intuitive touchscreen interface, making it easy to schedule heating times to fit your lifestyle. It includes a floor sensor for precise temperature control and a built-in Class A GFCI for safety.
  • CeraZorb® Insulating Underlayment: This lightweight synthetic cork provides superior insulation, boosting the floor heating system's efficiency by preventing heat loss and reducing warm-up times.

* Operating this 120 sq. ft. heated floor system costs just $0.25 per hour, based on current Palos Heights, IL electricity rates. For an average of 8 hours of use per day, that’s only $2.00 per day, or about $60 per month, to enjoy luxurious warmth all season long.

Project Gallery

Frequently Asked Questions


For this 120 sq. ft. Palos Heights bedroom, the operating cost is approximately $0.25 per hour. If used for 8 hours daily, the cost is around $2.00 per day, making it an affordable luxury for any homeowner.
While a powerful radiant floor heating system in a well-insulated room can sometimes serve as the primary heat source, it is most often used to provide supplemental heat and comfort. In a cold climate like Illinois, it works in tandem with the existing HVAC system to eliminate cold spots and create a much more comfortable living space.
The Environ™ Flex Roll system is specifically designed for use under carpet (stretch-in) and floating floors, such as laminate and engineered wood. For carpet installations, it's important to use a non-insulating carpet pad with a low R-value to allow the heat to pass through efficiently.
Yes, it is highly energy efficient. Radiant heat warms objects and people in the room directly, not the air, which allows you to feel comfortable at a lower thermostat setting. When paired with an insulating underlayment like CeraZorb®, the system's efficiency is maximized, reducing energy consumption and lowering heating bills.

Quotes

These quotes are linked to this showcase and include the products used in this project or recommended for a similar-sized project.

Featured Resources

Tell Us About Your Project Our team of Radiant Experts is ready to help.

Contact Us

Have a question? We're here to help.

Add Photo or Floor Plan

By submitting this form, I understand and agree to WarmlyYours.com's Terms of Use and Privacy Policy.

Please complete the security verification below:

Your information is secure and will never be shared