Contact Us After Hours

Loading...

Loading contact options...

Sign In

Loading...

Loading...


Basement Large 7


Flooring Other
Subfloor Unconfirmed/Other
Heating System Coverage 390 sq. ft.
Voltage 240V

Installation Options

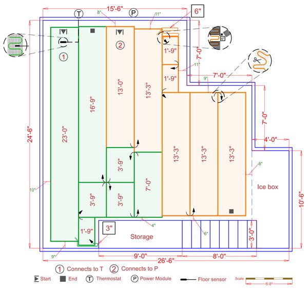
WarmlyYours offers a heating system for all of the most common flooring surfaces, including tile, stone, and marble. Each system type has unique advantages and best applications. Below you will find several different floor plans that are based on this example basement. Each breakdown is based on a different heating element and each breakdown will provide product information and costs. If you have any questions about which system type would be best for your project, you can contact usdirectly.

Click on any of these available installation options below to see an example floor plan and project breakdown:

  1. TempZone™ Flex Roll
  2. Environ™ Flex Roll
Tell us About your Project Our team of Radiant Experts is ready to help! Just tell us a little about yourself and your project to get started.

Contact Us

Have a question? We're here to help.

Attach images, PDFs, CAD files, or ZIPs (up to 250MB each)

By submitting this form, I understand and agree to WarmlyYours.com's Terms of Use and Privacy Policy.

Please complete the security verification below:

Your information is secure and will never be shared


Installation Options
  • Installation Plan
  • TempZone Kit with nSpire Touch & Circuit Check
  • Floor heating lifestyle in Bathroom
  • Amazon TempZone Easy Mat Install Layers

TempZone™ Flex Roll


TempZone™ heated rolls consist of a heating cable secured onto a green mesh fabric with the heating cable distributed in serpentine loops. The cable loops are 3" apart, which helps deliver even heating throughout flooring areas, never leaving cold spots in the room.

TempZone™ Flex Rolls are available in a variety of sizes and can be cut-and-turn during installation to easily fit most room shapes.

Cost to Operate: $0.41/hour

Estimated Quote


2 x
$30.00

Total
$3,888.00
  • Installation Plan
  • Floor Heating Kit 240V-Environ Flex Roll 1.5' x 90' + Touch Screen Thermostat ERT240-KIT-OT-1.5x90
  • Environ Easy Mat Installation
  • Environ Flex Roll Installation

Environ™ Flex Roll


WarmlyYours Environ Flex Rolls are designed for use under carpet*, laminate and floating wood. The mats can be installed easily and quickly for large spaces. Environ Flex Rolls are flexible rolls that can be cut and turned at 90° or 180° to cover the total area intended to be heated.

Cost to Operate: $0.33/hour

Estimated Quote


4 x
$60.00

Total
$3,806.00