Contact Us After Hours

Loading...

Loading contact options...

Sign In

Loading...

Loading...


Step Into Serenity: The End of Freezing Basement Floors

Transforming a Cold Oakville Basement into a Relaxing Retreat

Oakville, ON
Step Into Serenity: The End of Freezing Basement Floors
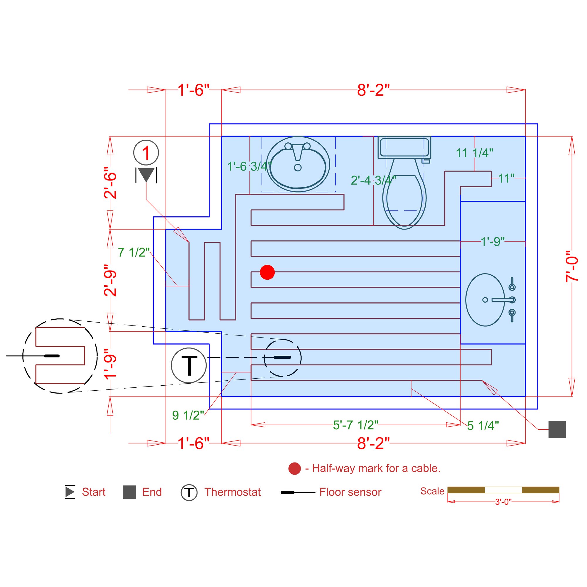
Size: 29 sq.ft. Voltage: 120V Wattage: 339 W Amps: 3 A Flooring: Tile, Marble or Stone Cost/hr *: $0.05

For many homeowners in Oakville, a basement bathroom is a practical necessity that comes with a persistent trade-off: bone-chilling floors. Because these rooms sit directly above cold concrete slabs, materials like tile and stone act as heat-sinks, drawing warmth away from your feet the moment you step inside.

Many people accept "wearing slippers" or "laying down thick rugs" as a permanent solution to a design flaw. But a bathroom should be a place of comfort and rejuvenation, not a room you hurry to leave because the floor feels like ice. WarmlyYours solved this by addressing the thermal bridge head-on, turning a cold basement floor into a consistent source of gentle, radiant warmth.


Project Details 

LocationOakville, ON, Canada
Heated Space TypeBasement Bathroom
Flooring TypeTile, Marble, or Stone
Coverage TypeFull (Wall-to-wall comfort)
Total Heated Square Footage23–30 sq. ft.
System TypeRadiant Floor Heating (TempZone™ Cable)
Voltage120V
Wattage339 Watts
Amps3.0A (Energy efficient)
Operating Cost
   Per Hour~$0.05
   Per Day (8 hours)~$0.40
   Per Month~$12.00 (Based on average Ontario rates)
WarmlyYours Products UsedTempZone™ Floor Heating Cable, nTrust Non-Programmable Thermostat, Prodeso Heat Membrane.
InstallerRobert McKinnon, Electrilight Ltd. (Oakville, ON)

Professional Comfort for an Oakville Basement

Homeowners often tolerate "cold spots" in their basements, assuming that below-grade rooms are naturally destined to be uncomfortable. In this Oakville project, Robert McKinnon of Electrilight Ltd. recognized that the high thermal mass of tile would make this bathroom feel like a refrigerator during Ontario’s harsh winters without a dedicated heat source.

By utilizing the TempZone™ Cable system paired with a professional-grade Prodeso Membrane, the team ensured maximum heat density and structural integrity. Spaced at 3.75 inches within the membrane's studs, the cable provides an even distribution of warmth across the entire 29-square-foot floor. This wasn't just about taking the "edge" off the cold; it was about turning the floor into the primary comfort provider. The membrane allows for a custom layout that weaves around the vanity and toilet, ensuring there are no "cold zones" where you stand. The result is a bathroom that stays warm and dry, preventing the damp, musty feeling often associated with basement levels.

Featured Products

  • TempZone™ Floor Heating Cable (120V): This isn't a one-size-fits-all mat. The cable allows for flexible installation in tight bathroom layouts, ensuring the heat reaches every corner.
  • nTrust Non-Programmable Thermostat: Pure simplicity. It maintains a steady, comfortable temperature without the complexity of constant programming—perfect for a guest or basement bathroom.
  • Prodeso Heat Membrane: This uncoupling membrane serves two vital roles: it holds the heating cable at perfect intervals for even heat distribution and protects the tile from cracking by absorbing the natural expansion and contraction of the basement subfloor.

* “Heating this 23 sq. ft. bathroom costs roughly $0.05 per hour. For about the price of a single specialty coffee per month, this Oakville homeowner has traded freezing tiles for consistent, radiant warmth.”

Frequently Asked Questions

Showing all 4 questions

Yes. The TempZone™ system is UL-listed and designed specifically for wet environments. When installed with the Prodeso membrane, it provides an added layer of protection, helping the floor dry faster to prevent mold and mildew.
Not at all. This 339-watt system uses less energy than many household appliances. At roughly $12 per month during typical seasonal use, it is one of the most cost-effective ways to heat a basement space.
Absolutely. Stone and marble are the best conductors for radiant heat. They hold the warmth longer than almost any other material, creating a very stable and comfortable thermal environment.
In a basement, the initial warm-up takes a bit longer as it overcomes the cold concrete subfloor. However, once the "thermal mass" of the tile is heated, the nTrust thermostat maintains that warmth efficiently with minimal energy cycles.

Featured Resources

Tell Us About Your Project

Our team of Radiant Experts is ready to help.

Typically respond within 1 business day