Contact Us Open

Loading...

Loading contact options...

Sign In

Loading...

Loading...


walkways or pathways Small #1


Flooring Paver
Heating System Coverage 137 sq. ft.
Voltage 240V

Installation Options

WarmlyYours offers a selection of snow melting systems that heat driveways, patios, walkways, or stairs and can be installed in asphalt, concrete, or under pavers in mortar. Our snow melting systems are available in two formats: mat and cable. The mats are designed to deliver 50 watts of heat per square foot and allow for quick and easy installation. The cable system allows for maximum flexibility and generates 12 watts per linear foot. Our systems are available with a selection of different controls, each with different specifications to sense things like air temperature or moisture on the pavement.

If you have any questions about which system type would be best for your project, you can contact us directly.

Click on any of these available installation options below to see an example floor plan and project breakdown:

  1. Snow Melt Cables
Tell us About your Project Our team of Radiant Experts is ready to help! Just tell us a little about yourself and your project to get started.

Contact Us

Have a question? We're here to help.

Attach images, PDFs, CAD files, or ZIPs (up to 250MB each)

By submitting this form, I understand and agree to WarmlyYours.com's Terms of Use and Privacy Policy.

Please complete the security verification below:

Your information is secure and will never be shared


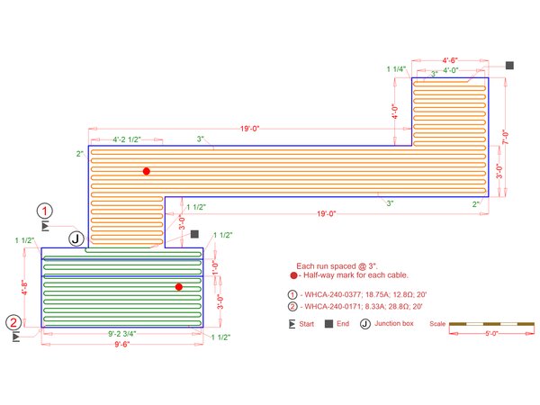
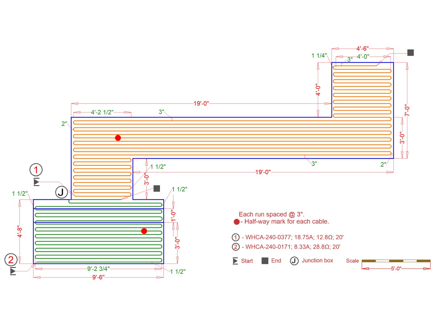
Installation Options
  • Installation Plan Image
  • snow melting cable
  • Lotacki Snow Melt Cable Installation 1 close up of snow melt cable zip tied to metal grid
  • Snow melt cross-section for concrete stairs with labels

Snow Melt Cables


WarmlyYours snow melting cable installs in asphalt, concrete or mortar under pavers. This twin conductor heating cable is perfect for open areas, as well as odd-shaped areas and stairways.

Cost to Operate: $0.71/hour

Estimated Quote



Total
$2,987.00