Contact Us Open
Loading...

Loading contact options...

Sign In
Loading...

Loading...


Luxury Comfort for an Everyday Space: Tile Floor Warming in Ossining, NY

Laundry/Mudroom Upgrade with Energy-Efficient Electric Radiant Floor Heating

OSSINING, NY
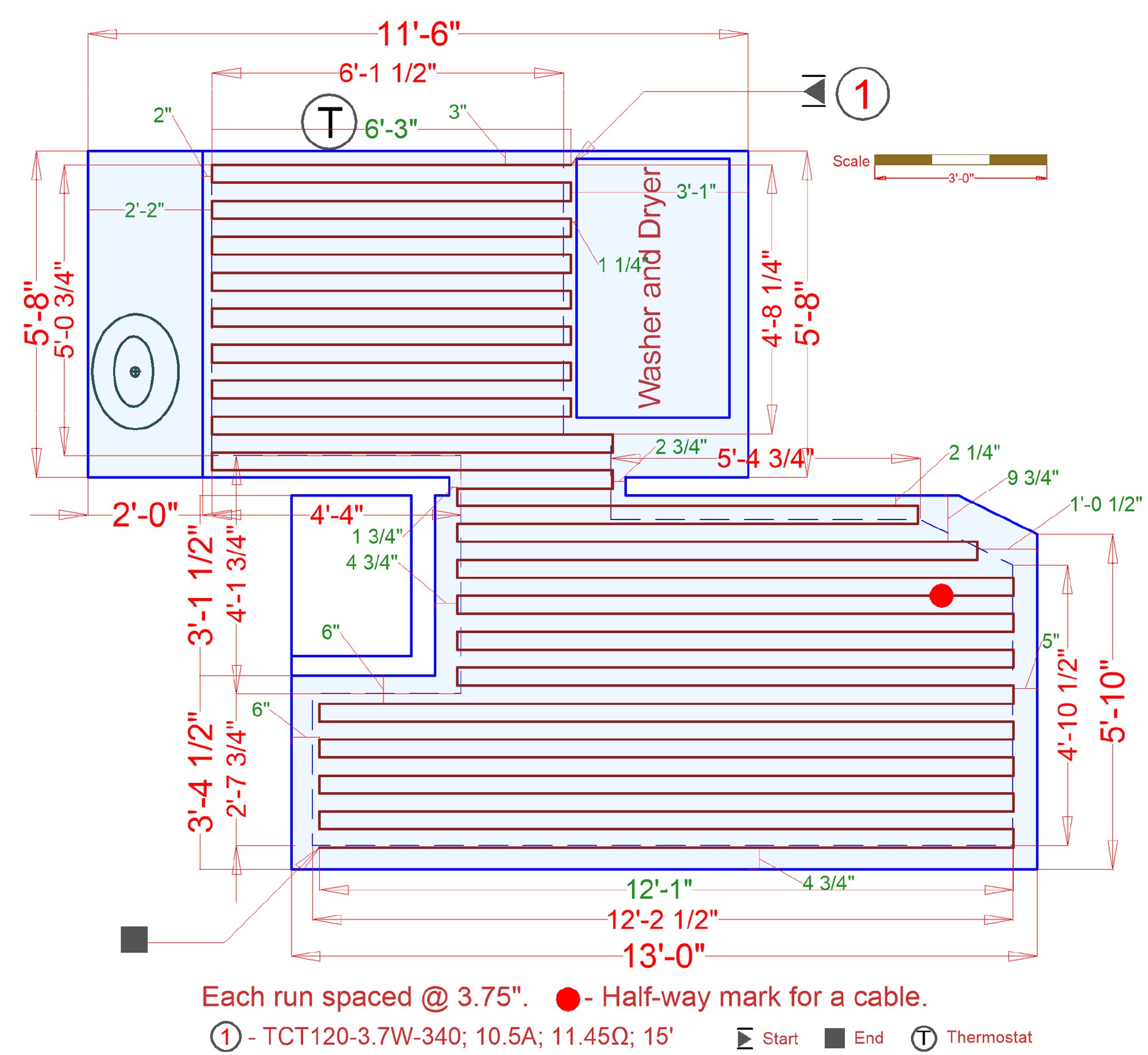
Entryway mudroom with heated tile herringbone floors
Size: 143 sq.ft. Voltage: 120V Wattage: 1262 W Amps: 11 A Flooring: Tile, Marble or Stone Cost/hr *: $0.40
The homeowners in Ossining, NY, wanted to transform their highly-trafficked Laundry/Mudroom from a cold, utilitarian area into a welcoming space. The challenge was finding an efficient, low-profile solution to heat the large, cold expanse of tile, marble, and stone flooring. By installing a custom WarmlyYours TempZone Cable electric radiant floor heating system under the new floor, the installer created a comfortable, warm surface that significantly increased the home's daily comfort and long-term value.

Project Details

  • Location: Ossining, New York
  • Heated Space Type: Laundry/Mudroom
  • Square Footage (Heated): 107 sq. ft.
  • Watts, Volts, Amps: 1,262 W, 120 V, 11 A
  • Operating Cost Per Hour: ~$0.40
    • Cost per Day (8 hrs): ~$3.18
    • Cost per Month (30 days):~$95.40
  • Floor/Surface Type: Tile, Marble or Stone
  • Products Used: TempZone™ Floor Heating Cable and nSpire Touch Thermostat

Radiant Floor Warming in Ossining

The new laundry/mudroom in this Ossining home was designed with beautiful but inherently cold tile, marble, and stone flooring. For a space where family members transition between the outdoors and the home, a freezing floor was a major deterrent to comfort, especially during New York's colder months. 

The solution was the flexible TempZone Cable system, which was perfectly suited to cover the expansive 107 square feet of the room, weaving seamlessly to provide full coverage beneath the hard surface. The low-profile electric floor heating was easily embedded in the mortar, ensuring a quick and efficient installation that maintained the floor height. The outcome is a truly luxurious experience: a permanently warm floor that eliminates cold shock on bare feet, solving the initial challenge and transforming the mood of this essential household room. This high-efficiency, discreet floor warming system adds undeniable luxury and energy-efficient heat exactly where it’s needed.

Featured Products

TempZone™ Floor Heating Cable (120V)

This free-form cable system is the ideal in-floor heating solution for irregularly shaped rooms and for full coverage under tile, stone, and marble. The twin-conductor cable is installed at an optimal 3.75-inch spacing to deliver reliable, energy-efficient heat. It is a long-lasting, durable solution that is completely embedded under the floor finish, making it an invisible source of radiant comfort.

nSpire Touch Programmable Thermostat

This sleek, modern control features a 3.5-inch full-color touchscreen that allows for easy programming of up to six heat events per day. With its built-in self-testing GFCI and floor sensor, the nSpire Touch maximizes the comfort and energy efficiency of the heated floors by only running the system when programmed, ensuring the laundry room is warm precisely when the homeowners need it.

Circuit Check™ (SS-01) 

The Circuit Check (SS-01) is a critical installation aid that continuously monitors the heating cable's continuity. If the cable is damaged during installation, an alarm sounds immediately, giving the installer "peace of mind" and allowing for on-the-spot repair before the tile is laid. 

Electrical Rough-in Kit (FHE-ROUGH-IN-KIT-S3)

The Electrical Rough-in Kit provides the single-gang box and double conduits necessary for safely connecting the heating system's cold leads to the thermostat.

Prodeso™ Uncoupling Membrane (TC-MEM-BL-162)

This innovative uncoupling membrane serves as the installation foundation, dramatically speeding up the installation of the TempZone Cable. It also protects the tile, marble, or stone flooring from cracking by decoupling it from any movement in the subfloor. This 162 sq. ft. roll ensured a stable, long-lasting installation for the large laundry room.

* The operating cost is simply the system's power (1.262 kW) multiplied by your local Ossining rate ($0.3144 \kWh), which equals about $0.40 per hour when actively heating. Since the thermostat cycles the heat on and off, the actual daily running cost is much lower.

Project Gallery

Quotes

These quotes are linked to this showcase and include the products used in this project or recommended for a similar-sized project.

Frequently Asked Questions


The cost to run this 107 sq. ft. electric floor heating system in Ossining, NY, is approximately $0.40 per hour, based on local electrical rates. Assuming 8 hours of use per day, the daily cost is about $3.18, or roughly $95.40 per month. This demonstrates the affordability of radiant floor warming.
Yes. With a properly designed system and sufficient insulation, electric radiant floor heating like this installation can be the primary heat source for a laundry or mudroom. The 1,262 W system used here was designed for full coverage to provide a comfortable, warm environment and eliminate the need for traditional, less-efficient space heaters.
The TempZone Cable system is an excellent choice for floors that are naturally cold, making it ideal for the tile, marble, and stone used in this project. These hard surfaces retain and radiate the heat effectively, ensuring a luxurious and comfortable floor warming experience. It also works well under concrete, laminate, and some engineered wood floors.
Absolutely. Electric radiant floor heating is highly energy efficient because it directly heats objects and people from the floor up, rather than heating the air like forced-air systems. Combined with a programmable thermostat like the nSpire Touch, it only activates when programmed, which greatly limits the system's operating cost and energy consumption.
Tell Us About Your Project Our team of Radiant Experts is ready to help.

Contact Us

Have a question? We're here to help.

Loading...
Loading file uploader...

By submitting this form, I understand and agree to WarmlyYours.com's Terms of Use and Privacy Policy.

Please complete the security verification below:

Your information is secure and will never be shared