Contact Us After Hours

Loading...

Loading contact options...

Sign In

Loading...

Loading...


Bathroom - Plan 54


Flooring Tile, Marble or Stone
Subfloor Wood
Heating System Coverage 94 sq. ft.
Voltage 120V

Installation Options

WarmlyYours offers a heating system for all of the most common flooring surfaces, including tile, stone, and marble. Each system type has unique advantages and best applications. Below you will find several different floor plans that are based on this example bathroom. Each breakdown is based on a different heating element and each breakdown will provide product information and costs. If you have any questions about which system type would be best for your project, you can contact us directly.

Click on any of these available installation options below to see an example floor plan and project breakdown:

  1. TempZone™ Cable with Prodeso
  2. TempZone™ Cable with Strips
  3. TempZone™ Flex Roll
Tell us About your Project Our team of Radiant Experts is ready to help! Just tell us a little about yourself and your project to get started.

Contact Us

Have a question? We're here to help.

Attach images, PDFs, CAD files, or ZIPs (up to 250MB each)

By submitting this form, I understand and agree to WarmlyYours.com's Terms of Use and Privacy Policy.

Please complete the security verification below:

Your information is secure and will never be shared


Installation Options
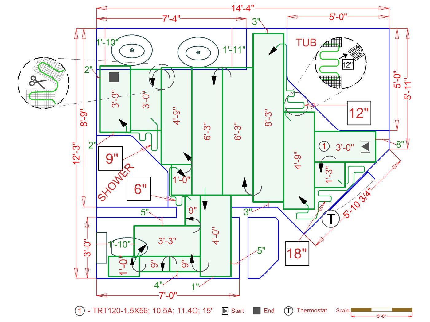
  • Installation Plan Image
  • Floor Heating Kit 240V-Tempzone Cable System 355' + Heat Membrane & Touch Screen Thermostat TCT240-KIT-OT-MEM-355
  • Prodeso TempZone Cable Installation
  • Prodeso and ThermalSheet installation Cross Section

TempZone™ Cable with Prodeso


This free-form cable provides the ultimate in flexibility, making it easy to customize installation for rooms of any size and shape. It features a twin conductor with a 15’ cold lead and is available in two voltage options and a range of lengths to meet the requirements of any installation.

The Prodeso Installation Membrane is an uncoupling membrane that is designed to be used with TempZone™ Cable. The unique design allows for greatly accelerated installations of floor heating - usually in a single day.

Cost to Operate: $0.05/hour

Estimated Quote


1 x
$15.00

Total
$1,123.00
  • Installation Plan Image
  • TempZone Cable with Grip Strips
  • Angled Shot of TempZone Floor Heating Cable with Fixing Strips
  • Cross Section with Subfloor, adhesive, insulating underlayment, heating cable & fixing strips, thinset, and tile flooring

TempZone™ Cable with Strips


This free-form cable provides the ultimate in flexibility, making it easy to customize installation for rooms of any size and shape. It features a twin conductor with a 15’ cold lead and is available in two voltage options and a range of lengths to meet the requirements of any installation.

TempZone™ Cable Fixing Strips are used for securing TempZone™ Floor Heating Cable in place on floors at predetermined spacing.

Cost to Operate: $0.06/hour

Estimated Quote


1 x
$15.00

Total
$774.00
  • Installation Plan Image
  • Floor Heating Kit 240V-Tempzone Flex Roll 1.5' x 08' + Touch Screen Thermostat TRT240-KIT-OT-1.5x08
  • Floor heating lifestyle in Bathroom
  • Amazon TempZone Easy Mat Install Layers

TempZone™ Flex Roll


TempZone™ heated rolls consist of a heating cable secured onto a green mesh fabric with the heating cable distributed in serpentine loops. The cable loops are 3" apart, which helps deliver even heating throughout flooring areas, never leaving cold spots in the room.

TempZone™ Flex Rolls are available in a variety of sizes and can be cut-and-turn during installation to easily fit most room shapes.

Cost to Operate: $0.06/hour

Estimated Quote


1 x
$15.00

Total
$974.00