Contact Us After Hours
Loading...

Loading contact options...

Sign In
Loading...

Loading...


Luxury Warmth for a Large Tiled Bathroom in Barrington, IL

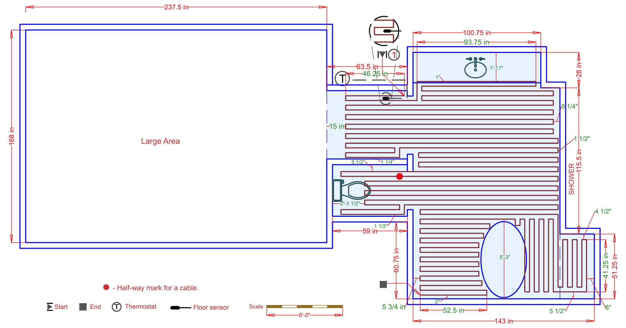
A High-Performance 240V TempZone™ Cable Solution for a 161 Sq. Ft. Bathroom Floor

BARRINGTON, IL
Floor Heating for Bathroom with Herringbone Tile Floor nottingham builders BARRINGTON, IL
Size: 515 ft. Voltage: 240V Wattage: 1934 W Amps: 8 A Flooring: Tile, Marble or Stone Cost/hr *: $0.28
This homeowner in Barrington, IL, needed a powerful, yet energy-efficient solution to eliminate the bone-chilling cold of their large bathroom's tile and stone floor. The solution was the high-performance 240V TempZone™ Cable system, professionally engineered by WarmlyYours to cover 161 square feet of the space. This upgrade delivered superior, personalized radiant comfort, significantly improving the room's utility and adding long-term value to the home with its energy-efficient electric floor heating design.

Project Details

  • Location: Barrington, Illinois (IL)
  • Heated Space Type: Bathroom
  • Square Footage: 161 sq. ft. of heated area (172 sq. ft. coverage)
  • Floor/Surface Type: Tile, Marble, or Stone (Installed over a Wood Sub-Floor)
  • Watts: 1,934 Watts
  • Volts: 240 Volts
  • Amps: 8.0 Amps
  • System: TempZone™ Floor Heating Cable
  • Operating Cost Per Hour: approx $0.28 per hour*
    • approx $2.24 per day (Based on 8 hours of use)
    • approx $67.20 per month (Based on 30 days of use)
    • (*Based on the average residential electricity rate in Barrington, IL of $0.1454/kWh)


Bringing Warmth to a Large Barrington Bathroom

The challenge for this Barrington, IL homeowner was the typical cold-climate dilemma: a large bathroom with expansive tile and stone flooring, which consistently felt frigid, particularly during the harsh Illinois winters. The sheer size of the 161 sq. ft. room required a robust, full-coverage in-floor heating system to ensure uniform warmth.

WarmlyYours designed a precise solution using the TempZone™ Floor Heating Cable at a high-density 3.75-inch spacing and high-efficiency 240-volt power. This configuration was specifically planned to maximize heat output and ensure rapid floor warming beneath the thick tile. The system's low-profile cable was easily embedded in the mortar, adding minimal height to the floor while delivering powerful radiant floor heating. The installation also included the nSpire Touch Thermostat for easy programming and energy management, allowing the homeowner to set a comfortable schedule.

The outcome is a luxurious bathroom experience where the cold, hard surface of the tile is completely transformed into a source of gentle, enveloping warmth. The client now enjoys the full benefits of electric floor heating: energy-efficient comfort, fast heat-up times, and a significant daily upgrade in their home living space.

Featured Products

TempZone™ Floor Heating Cable (240V)

The high-performance TempZone™ Floor Heating Cable provides the ultimate flexibility for creating a custom electric radiant floor heating layout, perfectly suited for the large, uniquely shaped 161 sq. ft. bathroom in this Barrington, IL project. This twin-conductor, 240-volt cable is ideal for installation under thermally conductive surfaces like tile and stone, delivering 3.7 watts per linear foot to ensure rapid and consistent floor warming even in colder climates. Its robust construction and cULus listing for wet locations ensure a safe, durable, and energy efficient heating solution backed by a 25-year No Nonsense™ Warranty.

nSpire Touch Thermostat

The elegant nSpire Touch Thermostat is the command center for this in-floor heating system. Featuring a crystal-clear 3.5-inch color touchscreen display and an integrated Install Wizard, it allows the homeowner to easily program up to six temperature events for each day of the week, maximizing comfort while minimizing the operating cost. The thermostat includes a built-in, self-testing Class A GFCI for safety and an energy log to track usage, ensuring precise control over the radiant comfort of the bathroom.

Circuit Check

The Circuit Check is an essential installation tool that guarantees peace of mind. Connected to the heating element leads throughout the installation of the radiant floor heating system, it continuously monitors the cable for electrical continuity. Should the cable be damaged (nicked or broken) during the installation process, the Circuit Check will sound an immediate audible alert, allowing the installer to stop, locate, and repair the issue before the final floor covering is installed. This ensures a fault-free, long-lasting floor warming system.

* The hourly cost for this high-performance 1,934 Watt system is approximately $0.28, based on the local Barrington, IL electricity rate of $0.1444/kWh. This low operating cost translates to about $2.24 per day (assuming 8 hours of use), making this energy efficient heating a highly affordable source of daily luxury and radiant comfort.

Project Gallery

Quotes

These quotes are linked to this showcase and include the products used in this project or recommended for a similar-sized project.

Frequently Asked Questions


The operating cost to run this 161 sq. ft. electric floor heating system in Barrington, IL, is approximately $0.28 per hour at the local average residential rate of $0.1454/kWh. Assuming eight hours of daily use, the monthly cost is around $67.20, making this premium floor warming solution surprisingly affordable.
Yes. Because this TempZone Cable system was designed for Full Coverage at a tight 3.75-inch cable spacing and runs on 240V, it generates sufficient heat (1,934 Watts) to function as the sole-source heating for this well-insulated 161 sq. ft. bathroom, eliminating the need for separate primary heaters
The TempZone Cable is perfectly suited for use under thermally conductive surfaces like tile, marble, and natural stone, as used in this Barrington project. These floor coverings are excellent conductors and retain the gentle, enveloping heat from the in-floor heating system, providing the most consistent and luxurious floor warming.
Yes, electric radiant floor heating is highly energy efficient because it uses line-of-sight radiant heat to warm the floor and objects directly, rather than heating the air like traditional forced-air systems. The programmable nSpire Touch Thermostat further enhances efficiency by allowing the homeowner to heat the floor only when and where needed, optimizing the operating cost
Tell Us About Your Project Our team of Radiant Experts is ready to help.

Contact Us

Have a question? We're here to help.

Loading...
Loading file uploader...

By submitting this form, I understand and agree to WarmlyYours.com's Terms of Use and Privacy Policy.

Please complete the security verification below:

Your information is secure and will never be shared